繁體中文 | 联系我们
 
服务 热线:400-013-5663
电 话:021-52121993
销售部:白小姐18101869830 (微信同号) 15026605632
技术部:刘先生:13918967239(微信同号)
邮 箱:lyslxx@163.com
地 址:上海市普陀区礼泉路700弄高尚领域38号1505室
 代理品牌 展开
 工程案例 展开
 意大利优尼瓦斯燃烧器 UNIGAS 展开
 意大利意科法兰燃烧器ECOFLAM 展开
 德莱斯勒燃烧器(DREIZLER) 展开
 德国威索燃烧器(WEISHAUPT) 展开
 意大利利雅路燃烧器(RIELLO) 展开
 瑞典百通燃烧器(BENTONE) 展开
 意大利百得燃烧器(BALTUR) 展开
 意高燃烧器(ECOFLAM) 展开
 国产燃烧器 展开
 油泵系列 展开
 油嘴系列 展开
 程控器及底座 展开
 火焰探测器 展开
 点火变压器 展开
 燃油过滤器 展开
 回油调节阀 展开
 燃油电磁阀/线圈 展开
 风门执行器/伺服马达 展开
 燃气压力开关 展开
 燃气捡漏装置 展开
 燃气电磁阀 展开
 燃气过滤器/调压阀 展开
 软水处理器 展开
 点火电极/火焰盘及其他配件 展开
 烧嘴 展开
产品中心
点击查看大图
分类: 国产燃烧器 - 燃气燃烧器
名称: BT200GRF二段火燃气燃烧器
品牌:
型号:
价格:

详细说明

BT200GRF二段火燃气燃烧器

产地:中国


型号 发热量(KW) 控制方式 电源 电机功率(KW)
最小 最大
BT200GRF 590 2000 二段火 3ph * 380V * 50Hz 3.0

技术及性能特征:

1、两段运行(大/小火);

2、能适应任何类型的燃烧室;

3、空气和燃气在燃烧头内混合;

4、通过调节燃烧空气和燃烧头,可以获得最佳的燃烧参数;

5、无须把燃烧器从锅炉上拆下,就可以直接取下混合单元,维护保养方便;

6、用伺服电动机来运行第一,二段空气流量调节;燃烧器暂停时,风门关闭以减少炉内热量损失;

7、可以选择带有检漏的燃气阀组;
8、采用一个法兰和一个绝缘密封圈与锅炉联接固定;

结构特征:

1、轻质铝合金风机部件;

2、高性能离心式风机;

3、带流量调节装置的燃烧空气进口;

4、与各种锅炉法兰配对的滑动法兰,可以调整燃烧器伸入加热炉的位置;

5、三相电机带动风机;

6、空气压力开关,确保有燃烧空气;

7、燃气阀组由操作阀、安全阀、最小压力开关、调压器和燃气过滤器形成完整组合;

8、符合欧洲EN298标准的燃烧器自动控制装置和指令设备;

10、电离电极检测火焰;

11、控制盘包括:停/启开关,第一第二段选择器,运行及故障指示器

  12、将电气及温控器与燃烧器联接及控制第二段火焰工作的终端

13、标准配置的电器保护等级IP40,如有要求可以提高电气保护等级;

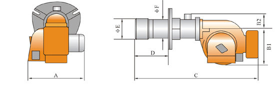
型号 A B1 B2 C D E F 包装尺寸(L*P*H) 重量(KG)
BT200GRF 830 580 150 1850 300-600 320 220 2030*1150*950 220

 
 

版权所有 © 2010 上海淼勇贸易有限公司 ICP备案:沪ICP备18029193号-1   设计维护星网科技
服务 热线:400-013-5663  电话:021-52121993 传真:021-36320926 联系人:刘先生 18602191896 13918967239 / 白小姐 18101869830
地址:上海市普陀区礼泉路700弄高尚领域38号1505室