繁體中文 | 联系我们
 
服务 热线:400-013-5663
电 话:021-52121993
销售部:白小姐18101869830 (微信同号) 15026605632
技术部:刘先生:13918967239(微信同号)
邮 箱:lyslxx@163.com
地 址:上海市普陀区礼泉路700弄高尚领域38号1505室
 代理品牌 展开
 工程案例 展开
 意大利优尼瓦斯燃烧器 UNIGAS 展开
 意大利意科法兰燃烧器ECOFLAM 展开
 德莱斯勒燃烧器(DREIZLER) 展开
 德国威索燃烧器(WEISHAUPT) 展开
 意大利利雅路燃烧器(RIELLO) 展开
 瑞典百通燃烧器(BENTONE) 展开
 意大利百得燃烧器(BALTUR) 展开
 意高燃烧器(ECOFLAM) 展开
 国产燃烧器 展开
 油泵系列 展开
 油嘴系列 展开
 程控器及底座 展开
 火焰探测器 展开
 点火变压器 展开
 燃油过滤器 展开
 回油调节阀 展开
 燃油电磁阀/线圈 展开
 风门执行器/伺服马达 展开
 燃气压力开关 展开
 燃气捡漏装置 展开
 燃气电磁阀 展开
 燃气过滤器/调压阀 展开
 软水处理器 展开
 点火电极/火焰盘及其他配件 展开
 烧嘴 展开
产品中心
点击查看大图
分类: 国产燃烧器 - 轻油燃烧器
名称: BT75LRF二段火轻油燃烧器
品牌:
型号:
价格:

详细说明

BT75LRF轻油燃烧器

产地:中国


型号 发热量(KW) 控制方式 燃油最大粘度

(ºE@20ºC)

电源 电机功率(KW)
最小 最大
BT75LRF 415 889 二段火 1.5 3ph * 380V * 50Hz 1.1

技术及性能特征:

1、两段运行(大/小火);

2、能适应任何类型的燃烧室;

3、机械式压力雾化;

4、通过调节燃烧空气和燃烧头,可以获得最佳的燃烧参数;

5、无须把燃烧器从锅炉上拆下,就可以直接取下雾化装置,维护保养方便;

6、用液压调节器来进行第一、第二段空气流量调节(选配:采用伺服电动机进行第一、二段孔气流量调节,并且当燃烧器暂停时,风门关闭以减少炉内热量损失);

7、当使用生化柴油(以植物油为原料)时,燃烧器需配有如下指定部件:软管,线性过滤器液压调节器和油泵;
8、采用一个法兰和一个绝缘密封圈与锅炉联接固定;配有两个软管,一个线性过滤器和两个喷嘴;

9、根据要求可停机时为防止热损失而设置的风门关闭装置,以及生化柴油运行。

结构特征:

1、轻质铝合金风机部件;

2、高性能离心式风机;

3、带流量调节装置的燃烧空气进口;

4、与各种锅炉法兰配对的滑动法兰,可以调整燃烧器伸入锅炉的位置;

5、带有不锈钢喷嘴和火焰扩散盘的钢制可调节燃烧头

6、三相电机带动风机和油泵;

7、带有调压器和截止阀、安全阀的齿轮泵;

8、符合欧洲EN230标准的燃烧器自动控制装置和指令设备;

9、光敏电阻检测火焰;

    10、控制盘包括:停/启开关,第一段/第二段选择器,运行及故障指示器,将电气和温控器与燃烧器联接及控制第二段火焰工作的终端;

11、标准配置的电器保护等级IP40,如有要求可以提高电气保护等级;

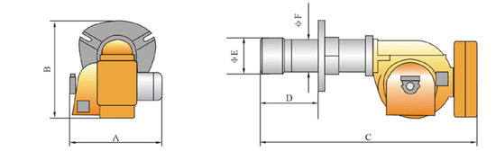
型号 A B C D E F 包装尺寸(L*P*H) 重量(KG)
BT75LRF 630 510 1200 170-430 205 160 1350*800*600 70

 
 

版权所有 © 2010 上海淼勇贸易有限公司 ICP备案:沪ICP备18029193号-1   设计维护星网科技
服务 热线:400-013-5663  电话:021-52121993 传真:021-36320926 联系人:刘先生 18602191896 13918967239 / 白小姐 18101869830
地址:上海市普陀区礼泉路700弄高尚领域38号1505室