繁體中文 | 联系我们
 
服务 热线:400-013-5663
电 话:021-52121993
销售部:白小姐18101869830 (微信同号) 15026605632
技术部:刘先生:13918967239(微信同号)
邮 箱:lyslxx@163.com
地 址:上海市普陀区礼泉路700弄高尚领域38号1505室
 代理品牌 展开
 工程案例 展开
 意大利优尼瓦斯燃烧器 UNIGAS 展开
 意大利意科法兰燃烧器ECOFLAM 展开
 德莱斯勒燃烧器(DREIZLER) 展开
 德国威索燃烧器(WEISHAUPT) 展开
 意大利利雅路燃烧器(RIELLO) 展开
 瑞典百通燃烧器(BENTONE) 展开
 意大利百得燃烧器(BALTUR) 展开
 意高燃烧器(ECOFLAM) 展开
 国产燃烧器 展开
 油泵系列 展开
 油嘴系列 展开
 程控器及底座 展开
 火焰探测器 展开
 点火变压器 展开
 燃油过滤器 展开
 回油调节阀 展开
 燃油电磁阀/线圈 展开
 风门执行器/伺服马达 展开
 燃气压力开关 展开
 燃气捡漏装置 展开
 燃气电磁阀 展开
 燃气过滤器/调压阀 展开
 软水处理器 展开
 点火电极/火焰盘及其他配件 展开
 烧嘴 展开
产品中心
点击查看大图
分类: 贵诺燃烧器(CUENOD) - 燃气燃烧器
名称: C75GX燃气燃烧器(Cuenod)
品牌: 贵诺(CUENOD)
型号:
价格:

详细说明
C75GX燃气燃烧器

品牌:CUENOD(贵诺)

产地:法国

 产品描述
创新技术使得燃烧器更加便于操控 RTC®系统 AGP®系统
中型加热设备中使用的燃烧器必须满足以下五个关键要求:
  • 简单易于操作
  • 运行简便快捷
  • 可靠高效的调节设定
  • 能量的合理利用
  • 污染排放低

C75GXC100GX燃烧器采用了创新的MDE®系统,该技术可以随时查询燃烧器运行参数和启动状态技术细节。

在“中等功率”设备上,该燃烧器集合了我们多年设计制造经验并采用了鼓风系统和电气系统独立设计。该燃烧器功能齐全的控制面板可选择安装负荷控制器和MDE®系统显示器,该燃烧器还适用于Variatron®系统。

多功能组合设计,先进的燃烧头技术和燃烧头设定记忆系统(RTC®)确保:
  • 完全可拆卸
  • 维修简便快捷
  • 不需要拆卸燃烧器,只需一个步骤便可以拆下燃烧头所有部件(短和长火管)
  • 维护调整时,能够记忆所有最佳设定值
CUENOD发展和完善的AGP®系统已经成为燃气燃烧器的专利技术。此项技术用于我们中型和大功率燃烧器上。

使用此项技术的燃烧器可保证:

  • 完全稳定的空气-燃气混合
  • 在任何输出功率燃烧均可达到很高的连续的CO2比例
  • 精确控制过量空气,完美运用于冷凝发热装置

AGP®系统还可自动修正以下状况:

  • 燃气正负压力波动
  • 由电压波动引起的和由大气变化引起的空气压力改变
  • 根据炉膛背压变化而改变输出功率,特别在点火期间
燃烧器进风及低氮氧化物燃烧头 MDE®系统:运行参数记录 功率调节
最新的高性能的内循环送风系统,保证了该燃烧器能够极好地适应各种锅炉:
  • 启动阶段燃烧快速稳定
  • 减少污染排放指标,满足欧洲排放标准
  • 超低噪音指标(独立进风系统),可以通过选择加装消音罩进一步降噪
  • 根据锅炉型号,热效率高达90-94%
另外,线性风门挡板(volet d’air®)简化并提高了可调性能

多重进风冷却风机电机,确保持续进风。

Low Nox低氮氧化物燃烧头

  • 燃烧多级喷射(IME®)系统和先进进风设计燃烧头,提高了燃烧空气速度,可均匀混合燃料缩短燃烧时间,从而降低氮氧化物的产生。
  • 燃烧天然气NOx排放低于80mg/kWh,适用于大多数标准结构锅炉(详细资料请联系我们)
该燃烧器装有创新的运行系统,可以随时查看运行记录。

该系统提供两种类型参数:

  1. 即时信息
  • 燃烧器启动周期
  • 供电测量值
  • 火焰信号测量值
  1. 储存信息
  • 燃烧器运行参数,包括总运行时间
  • 使用程序状况

这些信息,即时可以查看,可以通过装有CUENODM软件的手提电脑读取信息,然后这些信息可以发送到运行系统中,便于维护。

通过燃烧器前面板选择件的安装,可直接查看信息,也可通过调制解调器远程监控。

单级式燃烧器

只有一个流量功率。

根据燃烧负荷要求,通过燃烧器的点火和停机来调节负荷“满负荷”和“关”。

两级式燃烧器

有两个流量功率可以调节:

  • “满负荷”或“关”,在负荷输出增多时,可以有两级功率来避免频繁启动
  • “满负荷”或“低负荷”,在负荷输出很小时,采用低负荷输出。

AGP®燃烧器

启动后(大约额定负荷的15%),负荷在两个流量间比例增加。

  • “满负荷”或“关”,输出逐级增加(20-30秒)
  • 通过AGP®系统控制输出
  • “满负荷”或“低负荷”,这种设定不仅仅是AGP®的特点,而且能在低负荷时节约能量。
  • “比例式”燃烧器的负荷可以设定到任何需要的负荷点
 型号表
型号 C75GX507p20/25 C75GX507p37/148 C75GX507p300 C100GX507p20/25 C100GX507p37/148 C100GX507p300
CE49AQ0924 CE49AQ0924 CE49AQ0924 CE49AQ0925 CE49AQ0925 CE49AQ0925
最小 最大 最小 最大 最小 最大 最小 最大 最小 最大 最小 最大
燃烧器出力 kW 335 680 335 750 335 750 530 720 530 1040 530 1040
锅炉出力 kW 310 625 310 690 310 690 490 665 490 960 490 960
 功率图

 

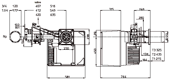
 尺寸图

 
 

版权所有 © 2010 上海淼勇贸易有限公司 ICP备案:沪ICP备18029193号-1   设计维护星网科技
服务 热线:400-013-5663  电话:021-52121993 传真:021-36320926 联系人:刘先生 18602191896 13918967239 / 白小姐 18101869830
地址:上海市普陀区礼泉路700弄高尚领域38号1505室