繁體中文 | 联系我们
 
服务 热线:400-013-5663
电 话:021-52121993
销售部:白小姐18101869830 (微信同号) 15026605632
技术部:刘先生:13918967239(微信同号)
邮 箱:lyslxx@163.com
地 址:上海市普陀区礼泉路700弄高尚领域38号1505室
 代理品牌 展开
 工程案例 展开
 意大利优尼瓦斯燃烧器 UNIGAS 展开
 意大利意科法兰燃烧器ECOFLAM 展开
 德莱斯勒燃烧器(DREIZLER) 展开
 德国威索燃烧器(WEISHAUPT) 展开
 意大利利雅路燃烧器(RIELLO) 展开
 瑞典百通燃烧器(BENTONE) 展开
 意大利百得燃烧器(BALTUR) 展开
 意高燃烧器(ECOFLAM) 展开
 国产燃烧器 展开
 油泵系列 展开
 油嘴系列 展开
 程控器及底座 展开
 火焰探测器 展开
 点火变压器 展开
 燃油过滤器 展开
 回油调节阀 展开
 燃油电磁阀/线圈 展开
 风门执行器/伺服马达 展开
 燃气压力开关 展开
 燃气捡漏装置 展开
 燃气电磁阀 展开
 燃气过滤器/调压阀 展开
 软水处理器 展开
 点火电极/火焰盘及其他配件 展开
 烧嘴 展开
产品中心
点击查看大图
分类: 贵诺燃烧器(CUENOD) - 轻油燃烧器
名称: C20燃油燃烧器(Cuenod)
品牌: 贵诺(CUENOD)
型号:
价格:

详细说明
C20燃油燃烧器

品牌:CUENOD(贵诺)

产地:法国

 产品描述
贵诺燃烧器在这一专业领域有着大量的经验。我们已经研发出新一代的高效率,高精确和可靠性能燃烧器。这些燃烧器都是按照欧洲燃烧器标准EN267研究和开发。CUENOD贵诺燃烧器都是严格按照AFAQ ISO9002质量认证标准生产制造。
创新技术使得燃烧器更加便于操控 完美的性能
中型加热设备中使用的燃烧器必须满足以下五个关键要求
  • 简单易于操作
  • 运行简便快捷
  • 可靠高效的调节设定
  • 能量的合理利用
  • 污染排放低

此系列燃烧器采用了创新的MED®系统,该技术可以随时查询燃烧器运行参数和启动状态技术细节

该燃烧器完全按照欧洲标准EN267设计研发和生产

CUENOD贵诺燃烧器严格按照质量认证AFAQ ISO 9001生产制造

和所有CUENOD贵诺燃烧器一样,C20C24燃烧器获得CE认证,满足各项欧洲相关标准,包括CE锅炉能效标准92/42/EEC

高效的送风和吸风系统保证了良好的燃烧效果,降低了运行噪音。

CUENOD贵诺经过大量空气动力实验,研发出空气再喷射系统

该燃烧器应用类似于汽车动力学中的“turbo”技术,在空气的出风口处获得能量,并再次送入吸风系统,这样就提高了送风的风压

高效的消音设计和保护外罩保证了运行的宁静舒适

这种组合了空气再次喷射系统,新一代贵诺燃烧元器件,调节装置和精良的加工,制造出出色的设备:

  • 消除了震动和波动
  • 减少了启动时的突震和加快了火焰的稳定性
  • 增强燃烧的稳定性

CUENOD贵诺一直致力于火焰的稳定性研究:通过燃烧头进风的平稳分送,获得了极好的效果。因为进风稳定,火焰根部的形状与稳焰盘完美匹配,火焰的形状和颜色都达到最佳状态

  • 无论应用在何种发热设备,都能有效的降低炉膛阻力,减少烟气损失,提高输出效率
  • 热效率超过92%

另外,该燃烧器采用先进的元器件达到最佳运行效果:

  • 在停机时,风门挡板关闭,防止冷风吸入炉膛
  • 最短化预吹扫时间。
最佳性能的两级式燃烧器 调试方便
一般的燃烧器无法满足高标准无故障的运行,只有这种两级式燃烧器使用于这种高品质的发热设备。

该两级式燃烧器确保

  • 即时点火
  • 满足安装方的功率要求
  • 合理利用能量

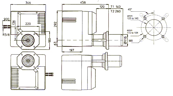
贵诺C20、C24两级式燃烧器安装有3个位置的风门伺服电机,第一级,第二级和燃烧器停机时的风门关闭位置。

风门设计为输出功率和风门开度成比例增大或减小,保障了充分的燃烧和流畅的烟气排放。

  • 该燃烧器通过一个夹紧法兰安装于锅炉前面板,适用于多种伸进长度
  • 该夹紧法兰设计为与燃烧器成一轻微角度,以保证残留的油能流进炉膛
  • 燃烧头的伸出长度可以调整以适应不同的锅炉炉膛
  • 多头电气连接插头,避免了接线错误
  • 油管接至油泵上,并且在安装端做上标记
MED®系统 燃烧器维护
运行参数记录

该燃烧器装有创新的运行系统,可以随时查看运行记录。该系统提供两种类型参数:

  1. 即时信息
  • 燃烧器启动周期
  • 供电测量值
  • 火焰信号测量值
  1. 储存信息
  • 燃烧器运行参数,包括总运行时间
  • 使用程序状况

这些信息,即时可以查看,可以通过装有CUENOCOM软件的手提电脑读取信息,然后这些信息可以发送到运行系统中,便于维护。

  • 先进的外壳设计,保证了进风系统,燃烧装置,不同的电气元件和机械元件都极易检修
  • 所有电气连接采用插头式连接
  • 工厂出厂设定提供了初始状态下最佳的参考设定
  • 精确的风门挡板和燃烧头设定,确保了燃烧器适应不同的功能要求
  • 外壳保护了安全装置和设定值,它还起了防止断电的作用

型号表

燃烧器型号 控制方式 发热量kW
最小 最大
C20单级式 一段火 100 200
C24单级式 一段火 160 240
C24双级式 二段火 120 240

 
 

版权所有 © 2010 上海淼勇贸易有限公司 ICP备案:沪ICP备18029193号-1   设计维护星网科技
服务 热线:400-013-5663  电话:021-52121993 传真:021-36320926 联系人:刘先生 18602191896 13918967239 / 白小姐 18101869830
地址:上海市普陀区礼泉路700弄高尚领域38号1505室