繁體中文 | 联系我们
 
服务 热线:400-013-5663
电 话:021-52121993
销售部:白小姐18101869830 (微信同号) 15026605632
技术部:刘先生:13918967239(微信同号)
邮 箱:lyslxx@163.com
地 址:上海市普陀区礼泉路700弄高尚领域38号1505室
 代理品牌 展开
 工程案例 展开
 意大利优尼瓦斯燃烧器 UNIGAS 展开
 意大利意科法兰燃烧器ECOFLAM 展开
 德莱斯勒燃烧器(DREIZLER) 展开
 德国威索燃烧器(WEISHAUPT) 展开
 意大利利雅路燃烧器(RIELLO) 展开
 瑞典百通燃烧器(BENTONE) 展开
 意大利百得燃烧器(BALTUR) 展开
 意高燃烧器(ECOFLAM) 展开
 国产燃烧器 展开
 油泵系列 展开
 油嘴系列 展开
 程控器及底座 展开
 火焰探测器 展开
 点火变压器 展开
 燃油过滤器 展开
 回油调节阀 展开
 燃油电磁阀/线圈 展开
 风门执行器/伺服马达 展开
 燃气压力开关 展开
 燃气捡漏装置 展开
 燃气电磁阀 展开
 燃气过滤器/调压阀 展开
 软水处理器 展开
 点火电极/火焰盘及其他配件 展开
 烧嘴 展开
产品中心
点击查看大图
分类: 贵诺燃烧器(CUENOD) - 轻油燃烧器
名称: C500燃油燃烧器(Cuenod)
品牌: 贵诺(CUENOD)
型号:
价格:

详细说明
C500燃油燃烧器

品牌:CUENOD(贵诺)

产地:法国

 产品描述

贵诺燃烧器在这一专业领域有着大量的经验。我们已经研发出新一代的高效率,高精确和可靠性能燃烧器。这些燃烧器都是按照欧洲燃烧器标准EN267研究和开发。CUENOD贵诺燃烧器都是严格按照AFAQ ISO9002质量认证标准生产制造。

 型号表

型号

燃烧器出力kW

锅炉出力kW

马达功率kW

保险丝A

C260

1270-2620

1170-2410

4.0

16

C300

1700-3250

1560-2990

4.0

16

C400

2150-4500

1980-4140

5.5

16

C500

2880-5300

2650-4870

7.5

20

C620

3140-6440

2890-5920

11.0

25

C750

3800-7800

3500-7180

15.0

40

C900

4800-9590

4420-8820

18.5

40

C1100

6450-11410

5930-10500

22.0

50

 

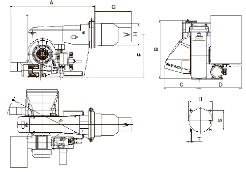
 尺寸图

型号

A

B

C

D

E

F

G

H

R

S

T

H9 HF9

C260

1045

720

435

523

531

1080

250

450

280

290

240

M20

C300

1045

720

435

523

531

1080

250

450

280

290

240

M20

C400

1173

894

482

696

654

1190

282

500

350

350

320

M20

C500

1173

894

482

696

654

1190

282

500

350

350

320

M20

C620

1191

945

492

805

680

1226

362

540

389

400

360

M20

C750

1191

945

508

805

680

1309

362

540

389

400

360

M20

C900

1267

1142

610

820

842

1402

395

580

540

475

410

M20

C1100

1267

1142

610

820

842

1402

395

580

540

475

410

M20

 
 

版权所有 © 2010 上海淼勇贸易有限公司 ICP备案:沪ICP备18029193号-1   设计维护星网科技
服务 热线:400-013-5663  电话:021-52121993 传真:021-36320926 联系人:刘先生 18602191896 13918967239 / 白小姐 18101869830
地址:上海市普陀区礼泉路700弄高尚领域38号1505室