|
贵诺燃烧器在这一专业领域有着大量的经验。我们已经研发出新一代的高效率,高精确和可靠性能燃烧器。这些燃烧器都是按照欧洲燃烧器标准EN267研究和开发。CUENOD贵诺燃烧器都是严格按照AFAQ ISO9002质量认证标准生产制造。 型号表
|
型号 |
燃烧器出力kW |
锅炉出力kW |
马达功率kW |
保险丝A |
|
C260 |
1270-2620 |
1170-2410 |
4.0 |
16 |
|
C300 |
1700-3250 |
1560-2990 |
4.0 |
16 |
|
C400 |
2150-4500 |
1980-4140 |
5.5 |
16 |
|
C500 |
2880-5300 |
2650-4870 |
7.5 |
20 |
|
C620 |
3140-6440 |
2890-5920 |
11.0 |
25 |
|
C750 |
3800-7800 |
3500-7180 |
15.0 |
40 |
|
C900 |
4800-9590 |
4420-8820 |
18.5 |
40 |
|
C1100 |
6450-11410 |
5930-10500 |
22.0 |
50 |
 |
|
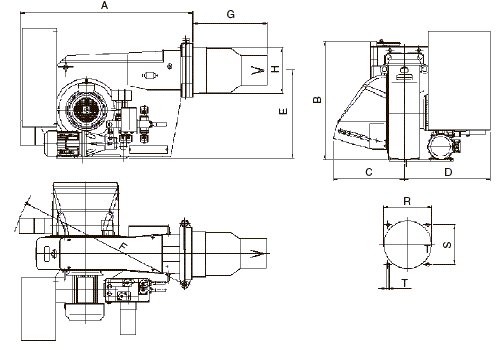
型号 |
A |
B |
C |
D |
E |
F |
G |
H |
R |
S |
T |
| H9 |
HF9 |
|
C260 |
1045 |
720 |
435 |
523 |
531 |
1080 |
250 |
450 |
280 |
290 |
240 |
M20 |
|
C300 |
1045 |
720 |
435 |
523 |
531 |
1080 |
250 |
450 |
280 |
290 |
240 |
M20 |
|
C400 |
1173 |
894 |
482 |
696 |
654 |
1190 |
282 |
500 |
350 |
350 |
320 |
M20 |
|
C500 |
1173 |
894 |
482 |
696 |
654 |
1190 |
282 |
500 |
350 |
350 |
320 |
M20 |
|
C620 |
1191 |
945 |
492 |
805 |
680 |
1226 |
362 |
540 |
389 |
400 |
360 |
M20 |
|
C750 |
1191 |
945 |
508 |
805 |
680 |
1309 |
362 |
540 |
389 |
400 |
360 |
M20 |
|
C900 |
1267 |
1142 |
610 |
820 |
842 |
1402 |
395 |
580 |
540 |
475 |
410 |
M20 |
|
C1100 |
1267 |
1142 |
610 |
820 |
842 |
1402 |
395 |
580 |
540 |
475 |
410 |
M20 |
|