繁體中文 | 联系我们
 
服务 热线:400-013-5663
电 话:021-52121993
销售部:白小姐18101869830 (微信同号) 15026605632
技术部:刘先生:13918967239(微信同号)
邮 箱:lyslxx@163.com
地 址:上海市普陀区礼泉路700弄高尚领域38号1505室
 代理品牌 展开
 工程案例 展开
 意大利优尼瓦斯燃烧器 UNIGAS 展开
 意大利意科法兰燃烧器ECOFLAM 展开
 德莱斯勒燃烧器(DREIZLER) 展开
 德国威索燃烧器(WEISHAUPT) 展开
 意大利利雅路燃烧器(RIELLO) 展开
 瑞典百通燃烧器(BENTONE) 展开
 意大利百得燃烧器(BALTUR) 展开
 意高燃烧器(ECOFLAM) 展开
 国产燃烧器 展开
 油泵系列 展开
 油嘴系列 展开
 程控器及底座 展开
 火焰探测器 展开
 点火变压器 展开
 燃油过滤器 展开
 回油调节阀 展开
 燃油电磁阀/线圈 展开
 风门执行器/伺服马达 展开
 燃气压力开关 展开
 燃气捡漏装置 展开
 燃气电磁阀 展开
 燃气过滤器/调压阀 展开
 软水处理器 展开
 点火电极/火焰盘及其他配件 展开
 烧嘴 展开
产品中心
点击查看大图
分类: 德国威索燃烧器(WEISHAUPT) - MONARCH系列燃烧器
名称: Monarch系列11#燃油燃烧器(weishaupt)
品牌: 威索(WEISHAUOT)
型号:
价格:

详细说明
Monarch系列11#燃油燃烧器

品牌:-weishaupt-(威索)

产地:德国

 产品描述
过去几十年来,威索Monarch系列燃烧器被广泛使用于各种形式及规格的供热装置中。此系列燃烧器造就了威索燃烧器的良好声誉。

可靠的功能、经典的技术及结构设计是这一系列燃烧器的樗。该系列燃烧器的功率范围为60千瓦至10900千瓦。结合现代控制技术(如威索的氧量调节、电机变频控制技术),可以获得最节省能源及保护环境的效果。

双燃料燃烧器同时提供使用燃气或燃油的可能性。燃料的切换由燃烧器控制部分自动完成,而无须对燃烧器进行人工改动。对于任何出于经济或安全因素考虑需要能够随时切换到另一种燃料的用户,此类燃烧器无疑是最佳的解决方案。

 型号表
常用型号

威索Monarch系列燃油燃烧器

快速调节 慢速(平滑)调节
轻油燃烧器 重油燃烧器 轻油燃烧器 重油燃烧器
两段火 三段火 两段火 平滑两段式 比例调节式 平滑两段式 比例调节式
5#燃烧机 L5Z L5T M5Z RL5 -
7#燃烧机 L7Z L7T MS7Z RL7 RMS7
8#燃烧机 L8Z L8T MS8Z RL8 RMS8
8/2#燃烧机 L8Z/2 L8T/2 - RL8/2 RMS8/2
9#燃烧机 L9Z L9T MS9Z RL9 RMS9
10#燃烧机 - L10T - RL10 RMS10
11#燃烧机 - - - RL11 RMS11
 参数表

燃烧器型号

RL11

燃烧头

M11/1-260x70

M11/1-245x70

油耗kg/h

120-385

130-440

出力kW

1430-4585

1550-5240

燃烧器型号

RMS11

燃烧头

M11/1-260x70

M11/1-245x70

油耗kg/h

130-408

140-466

出力kW

1460-4585

1575-5240

   
 配置表

型号

版本号

带智能开关的定货号

不带智能开关的定货号

测试号

程控器

油泵

风叶轮

伺服马达

马达

油管

重量

型号 额定电压 功率 额定电流 通径 长度 油路接口 油泵接口
mm 50Hz/2800rpm V kW A DN mm kg

L5Z

D

61156401

61156402

5G553/2000

LAL2...

J6

Ø248x100

1055/23

D90/90-2

3~230/400

1.5

6.0-3.5

13

1000

G1/2”

G1/2”

53

L7Z

D

61176401

61176402

5G581/2000

LAL2...

J6

Ø268x100

1055/23

D112/110-2/1

3~230/400

3.0

10.5/6.0

13

1000

G1/2”

G1/2”

73

L8Z

D

61186401

61186402

5G595/2001

LAL2...

J6/J7

Ø268x100

1055/23

D112/140-2/1

3~400

4.8

9.5

13

1000

G1/2”

G1/2”

78

L8Z/2

D

61186601

61186602

5G595/2001

LAL2...

J6/J7/TA2

Ø268x100

1055/23

D112/140-2/1

3~400

4.8

9.5

13

1000

G1/2”

G1/2”

81

L9Z

D

61196401

61196402

5G601/2001

LAL2...

J6/J7/TA2

Ø330x100

1055/23

D132/120-2a

3~400

6.5

13.5

13

1000

G1/2”

G1/2”

125

L5T

D

61159401

61159402

5G553/2000

LAL2...

J6

Ø248x100

1055/80

D90/90-2

3~230/400

1.5

6.0/3.5

13

1000

G1/2”

G1/2”

53

L7T

D

61179401

61179402

5G581/2000

LAL2...

J6

Ø268x100

1055/80

D112/110-2/1

3~230/400

3.0

10.5/6.0

13

1000

G1/2”

G1/2”

73

L8T

D

61189401

61189402

5G595/2001

LAL2...

J6/J7

Ø268x100

1055/80

D112/140-2/1

3~400

4.8

9.5

13

1000

G1/2”

G1/2”

78

L8T/2

D

61189601

61189602

5G595/2001

LAL2...

J6/J7/TA2

Ø268x100

1055/80

D112/140-2/1

3~400

4.8

9.5

13

1000

G1/2”

G1/2”

81

L9T

D

61199401

61199402

5G601/2001

LAL2...

J6/J7/TA2

Ø330x100

1055/80

D132/120-2a

3~400

6.5

13.5

13

1000

G1/2”

G1/2”

125

L10T

D

68109402

5G604/2001

LAL2...

J7/TA2

Ø345x100

1055/80

D132/120-2

3~400

9

18.0

13/20

1000

M30x1.5

G1”

137

RL5

ZMD

61157403

5G579/2000

LAL2...

J6

Ø248x100

SQM

D90/90-2

3~230/400

1.5

6.0/3.5

13

1000

G1/2”

G1”

60

RL7

ZMD

61177403

5G583/2000

LAL2...

TA2

Ø268x100

SQM

D112/110-2/1

3~230/400

3.0

10.5/6.0

20

1000

M30x1.5

G1”

80

RL8

ZMD

61187402

5G597/2001

LAL2...

TA3

Ø268x100

SQM

D112/140-2/1

3~400

4.8

9.5

20

1000

M30x1.5

G1”

85

RL8/2

ZMD

61187602

5G597/2001

LAL2...

TA3

Ø268x100

SQM

D112/140-2/1

3~400

4.8

9.5

20

1000

M30x1.5

G1”

89

RL9

ZMD

61197402

5G603/2001

LAL2...

TA3

Ø330x100

SQM

DK132/120-2a

3~400

6.5

13.5

20

1000

M30x1.5

G1”

132

RL10

ZMD

68107402

5G605/2001

LAL2...

TA3

Ø345x100

SQM

D132/120-2

3~400

9

18.0

20

1000

M30x1.5

G1”

137

RL11

ZMD

68117402

5G606/2001

LAL2...

TA4

Ø345x100

SQM

D132/150-2

3~400

12

23.0

25

1300

M38x1.5

G1”

195

型号

版本号

带智能开关的定货号

不带智能开关的定货号

程控器

油泵

风叶轮

预热器

伺服马达

马达

油管

重量

型号 电压 功率 电流 通径 长度(供/回) 油路连接 油泵连接
mm kW 50Hz/2800rpm V kW A DN mm     kg

M5Z

D

61256403

61256404

LAL2...

E4

Ø248x100

EV2B/4.5kW

1055/23

D90/90-2

3~230/400

1.5

6.0-3.5A

12

1000/700

G1/2”

G1/2”

68

MS7Z

D

61276403

61276404

LAL2...

E6

Ø268x100

EV2D/13.2kW

1055/23

D112/110-2/1

3~230/400

3.0

10.5/6.0A

20

1300/1000

M30x1.5

G1”

94

MS8Z

D

61286403

61286404

LAL2...

E7

Ø268x100

EV2D/13.2kW

1055/23

D112/140-2/1

3~400

4.8

9.5

20

1300/1000

M30x1.5

G1”

112

MS8Z/2

D

61286603

61286604

LAL2...

E7

Ø268x100

EV2D/13.2kW

1055/23

D112/140-2/1

3~400

4.8

9.5

20

1300/1000

M30x1.5

G1”

115

MS9Z

D

61296404

LAL2...

E7

Ø330x100

EV2D/13.2kW

1055/23

D132/120-2a

3~400

6.5

13.5

20

1300/1000

M30x1.5

G1”

144

RMS7

ZMD

61277403

LAL2...

TA2

Ø268x100

EV2D/13.2kW

SQM

D112/110-2/1

3~230/400

3.0

10.5/6.0

20

1300/1000

M30x1.5

G1”

111

RMS8

ZMD

61287404

LAL2...

TA3

Ø268x100

EV2D/13.2kW

SQM

D112/140-2/1

3~400

4.8

9.5

20

1300/1000

M30x1.5

G1”

120

RMS8/2

ZMD

61287604

LAL2...

TA3

Ø268x100

EV2D/13.2kW

SQM

D112/140-2/1

3~400

4.8

9.5

20

1300/1000

M30x1.5

G1”

124

RMS9

ZMD

61297404

LAL2...

TA3

Ø330x100

EV2D/13.2kW

SQM

DK132/120-2a

3~400

6.5

13.5

20

1300/1000

M30x1.5

G1”

175

RMS10

ZMD

68207404

LAL2...

TA3

Ø345x100

EV2D/13.2kW

SQM

D132/120-2

3~400

9

18.0

20

1300/1000

M30x1.5

G1”

180

RMS11

ZMD

68217403

LAL2...

TA4

Ø345x100

WEV3/22.4kW

SQM

D132/150-2

3~400

12

23.0

25

1500/1150

M38x1.5

G1”

245

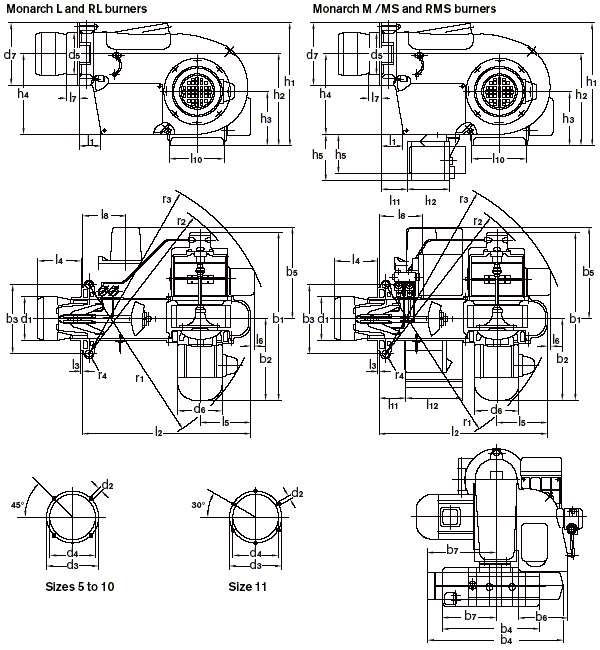
 尺寸图

型号

5

7

8

8/2

9

10

11

I1

100

100

100

102

112

112

117

I2

686

766

766

767

945

945

950

I3

8

8

8

8

8

8

8

l4

M5/2a:130

M6/1a:214

M7/1a:224

M9/1a:232

M9/1a:223

M10/2:273

M11/1:371

l4

M5/1a:145

M7/1a:224

M8/1a:234

U2/1:227

l4

G7/2a:256

I5

200

224

224

224

300

300

300

I6

47

28

28

28

15

15

I7

34

57

57

80

92

68

195

I8

239

285

285

287

310

310

315

I10

239

255

255

255

390

390

390

b1

644

763

784

784

884

884

911

b2

297

369

388

388

439

439

462

b3

270

310

310

310

440

440

440

b5

394

414

414

414

436

436

436

b6

200

231

231

231

230

230

230

h1

494

556

556

590

672

672

707

h2

373

415

415

415

482

482

482

h3

220

245

245

245

260

260

260

h4

363

366

366

366

482

482

482

d1

M5/2a:160

M6/1a:200

M7/1a:220

M9/1a:240

M9/1a:240

M10/2:265

M11/1:325

d1

M5/1a:180

M7/1a:220

M8/1a:240

U2/1:220

d1

G7/2a:265

d2

M10

M10

M10

M12

M12

M12

M10

d3

210

235

235

298

330

330

400

d4

185

210

210

275

280

280

340

d5

154

196

196

241

240

265

324

d6

176

218

218

218

258

258

258

d7

242

281

281

350

380

380

450

r1

680

770

800

800

960

960

980

r2

705

790

790

790

975

975

975

r3

790

865

865

865

1090

1090

r4

21

23

23

23

25

25

25

I11

EV2C:186

EV2D:114

EV2D:116

EV2D:153

EV2D:153

WEV3:124

I11

EV2D:114

WEV2.2:106

WEV2.2:149

WEV2.2:149

I11

WEV3:119

WEV3:119

I12

EV2C:126

EV2D:198

EV2D:198

EV2D:198

EV2D:198

WEV3:314

I12

EV2D:198

WEV2.2:254

WEV2.2:254

WEV2.2:254

I12

WEV3:314

WEV3:314

b4

EV2C:430

EV2D:430

EV2D:430

EV2D:430

EV2D:430

WEV3:744

b4

EV2D:430

WEV2.2:630

WEV2.2:630

WEV2.2:630

b4

WEV3:744

WEV3:744

b7

EV2C:235

EV2D:235

EV2D:235

EV2D:235

EV2D:235

WEV3:384

b7

EV2D:235

WEV2.2:327

WEV2.2:327

WEV2.2:327

b7

WEV3:384

WEV3:384

h5

EV2C:214

EV2D:214

EV2D:214

EV2D:214

EV2D:214

WEV3:205

h5

EV2D:214

WEV2.2:191

WEV2.2:191

WEV2.2:191

h5

WEV3:205

WEV3:205

 
 

版权所有 © 2010 上海淼勇贸易有限公司 ICP备案:沪ICP备18029193号-1   设计维护星网科技
服务 热线:400-013-5663  电话:021-52121993 传真:021-36320926 联系人:刘先生 18602191896 13918967239 / 白小姐 18101869830
地址:上海市普陀区礼泉路700弄高尚领域38号1505室