繁體中文 | 联系我们
 
服务 热线:400-013-5663
电 话:021-52121993
销售部:白小姐18101869830 (微信同号) 15026605632
技术部:刘先生:13918967239(微信同号)
邮 箱:lyslxx@163.com
地 址:上海市普陀区礼泉路700弄高尚领域38号1505室
 代理品牌 展开
 工程案例 展开
 意大利优尼瓦斯燃烧器 UNIGAS 展开
 意大利意科法兰燃烧器ECOFLAM 展开
 德莱斯勒燃烧器(DREIZLER) 展开
 德国威索燃烧器(WEISHAUPT) 展开
 意大利利雅路燃烧器(RIELLO) 展开
 瑞典百通燃烧器(BENTONE) 展开
 意大利百得燃烧器(BALTUR) 展开
 意高燃烧器(ECOFLAM) 展开
 国产燃烧器 展开
 油泵系列 展开
 油嘴系列 展开
 程控器及底座 展开
 火焰探测器 展开
 点火变压器 展开
 燃油过滤器 展开
 回油调节阀 展开
 燃油电磁阀/线圈 展开
 风门执行器/伺服马达 展开
 燃气压力开关 展开
 燃气捡漏装置 展开
 燃气电磁阀 展开
 燃气过滤器/调压阀 展开
 软水处理器 展开
 点火电极/火焰盘及其他配件 展开
 烧嘴 展开
产品中心
点击查看大图
分类: 德国威索燃烧器(WEISHAUPT) - W系列燃烧器
名称: WG5燃气燃烧器(weishaupt)
品牌: 威索(WEISHAUOT)
型号:
价格:

详细说明
WG5燃气燃烧器

品牌:-weishaupt-(威索)

产地:德国

 产品描述
W系列的所有型号燃烧器中的部件均紧密结合在一个小巧的空间内。燃料与空间的调节装置显而易见且易于维护。通过最新的技术为其配置的数字化程序控制器,可以使各项设定的功能及燃料与空气量的配合达到更精确的水平。

该系列燃烧器的功率范围始于12千瓦,最大可达570千瓦。在不同的型号中,功率调整的方式可分为一级或二级、二级滑动或比例调节。所有型号的燃烧器均符合相应的德国工业标准(DIN)及欧洲标准(EN),且均经样机检测认可。

 型号表
型号 出力范围kW 运行模式 燃气种类 功率消耗kW 重量kg 订货号
燃气燃烧器
WG5N/1-ALN 12.5-50 单段火 E,LL 0.040 12.0 23205011
WG5N/1-ALN 12.5-50 单段火带伺服马达 E,LL 0.040 12.0 23205010
WG5F/1-ALN 12.5-50 单段火 B/P 0.040 12.0 23305011
 参数表

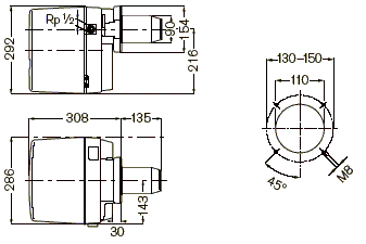
 尺寸图

 
 

版权所有 © 2010 上海淼勇贸易有限公司 ICP备案:沪ICP备18029193号-1   设计维护星网科技
服务 热线:400-013-5663  电话:021-52121993 传真:021-36320926 联系人:刘先生 18602191896 13918967239 / 白小姐 18101869830
地址:上海市普陀区礼泉路700弄高尚领域38号1505室