繁體中文 | 联系我们
 
服务 热线:400-013-5663
电 话:021-52121993
销售部:白小姐18101869830 (微信同号) 15026605632
技术部:刘先生:13918967239(微信同号)
邮 箱:lyslxx@163.com
地 址:上海市普陀区礼泉路700弄高尚领域38号1505室
 代理品牌 展开
 工程案例 展开
 意大利优尼瓦斯燃烧器 UNIGAS 展开
 意大利意科法兰燃烧器ECOFLAM 展开
 德莱斯勒燃烧器(DREIZLER) 展开
 德国威索燃烧器(WEISHAUPT) 展开
 意大利利雅路燃烧器(RIELLO) 展开
 瑞典百通燃烧器(BENTONE) 展开
 意大利百得燃烧器(BALTUR) 展开
 意高燃烧器(ECOFLAM) 展开
 国产燃烧器 展开
 油泵系列 展开
 油嘴系列 展开
 程控器及底座 展开
 火焰探测器 展开
 点火变压器 展开
 燃油过滤器 展开
 回油调节阀 展开
 燃油电磁阀/线圈 展开
 风门执行器/伺服马达 展开
 燃气压力开关 展开
 燃气捡漏装置 展开
 燃气电磁阀 展开
 燃气过滤器/调压阀 展开
 软水处理器 展开
 点火电极/火焰盘及其他配件 展开
 烧嘴 展开
产品中心
点击查看大图
分类: 意大利百得燃烧器(BALTUR) - 燃气燃烧器
名称: TBG85P燃气燃烧器(BALTUR)
品牌: 百得(BAITUR)
型号:
价格:

详细说明

TBG85P燃气燃烧器

品牌: BALTUR(百得)

产地:意大利

型号

耗气量

出力

天然气最小进气压力

mbar

控制方式

电源

马达功率

(kW)

重量

天然气

液化气

最小

最大

最小

m3/h

最大

m3/h

最大

m3/h

最小

m3/h

kW

KW

Kg

TBG85

85.5

17.0

42.0

9.5

850.0

170.0

30

二段火

3N * 380V * 50Hz

1.1

78

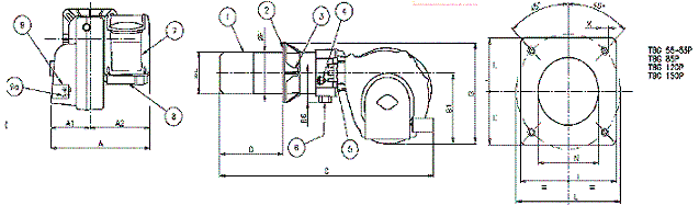
尺寸

 

型号

A

A1

A2

B

B1

B6

C

D

E

F

I

L

M

N

min

max

min

max

TBG55/55P

645

275

370

510

380

160

1230

175

400

161

159

260

225

300

M12

170

TBG85P

645

275

370

520

380

160

1230

175

400

180

178

280

250

325

M12

190

TBG120P

645

275

370

540

380

160

1280

200

450

224

219

320

280

370

M12

235

TBG150P

645

275

370

540

380

160

1280

200

450

240

219

320

280

370

M12

250

 
 

版权所有 © 2010 上海淼勇贸易有限公司 ICP备案:沪ICP备18029193号-1   设计维护星网科技
服务 热线:400-013-5663  电话:021-52121993 传真:021-36320926 联系人:刘先生 18602191896 13918967239 / 白小姐 18101869830
地址:上海市普陀区礼泉路700弄高尚领域38号1505室